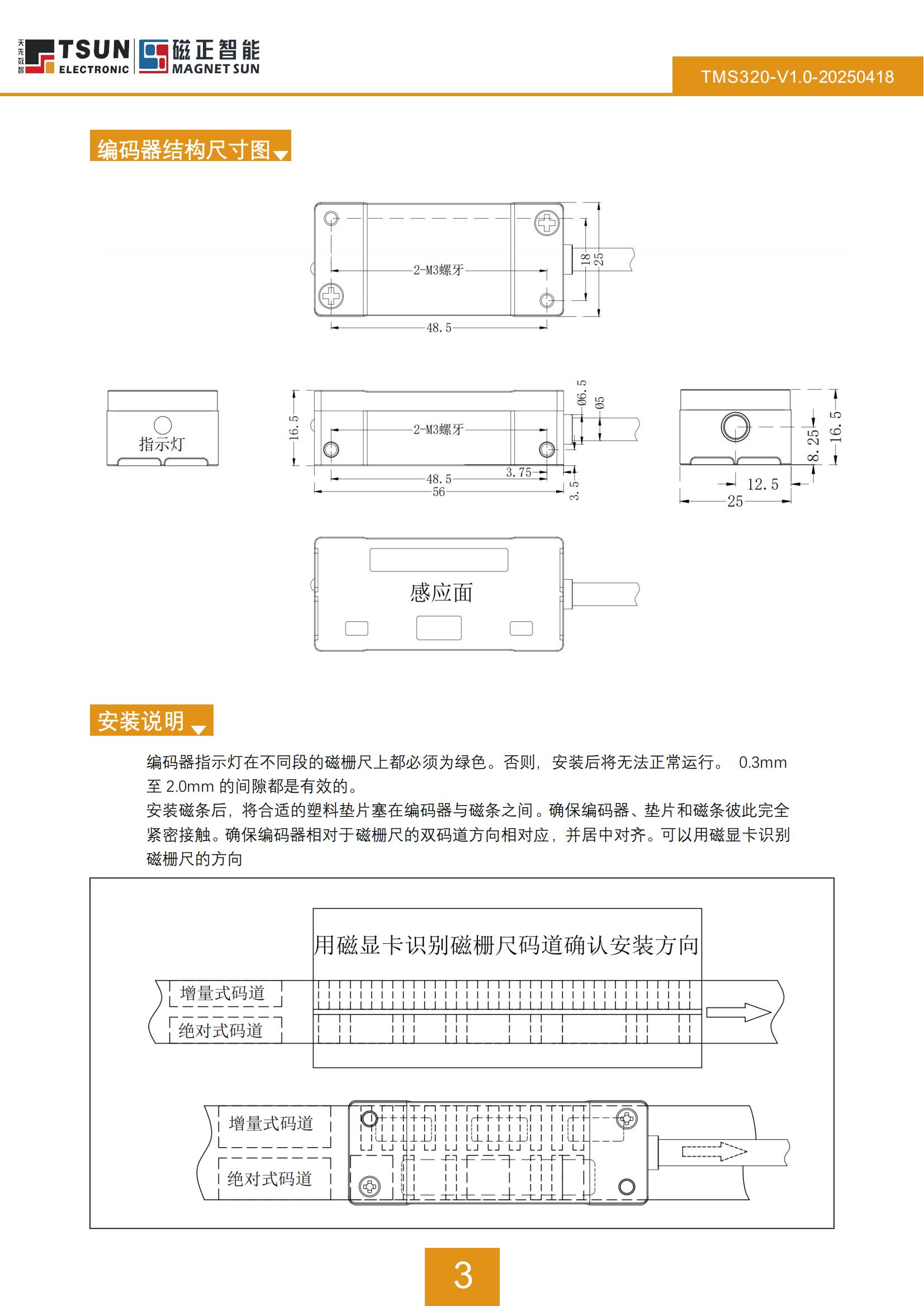
TMS320绝对值磁栅编码器反馈系统,在上电350ms后,就能提供准确的绝对物理位置信息且无需寻相。由于其非接触式、无磨损的测量原理和内置的安全算法而非常稳定、可靠。磁栅尺是由5mm极距构成的增量码道和二进制编码构成的绝对值码道组成,因此,在安装使用过程中,与编码器之间是需要匹配方向的。
技术参数、
磁极宽度5mm最大测量长度270mm重复精度<5um最大速度5m/s
电器参数
电源5V±5%功耗<200mA(5V电源,10m电缆长度,带负载)上电后的设置时间<350ms(在设置时间结束后,编码器将根据通信协议开始响应)位置延迟<62.5μs
结构参数
材料编码器:铝合金质量150g(读取头,带2m电缆,db9连接器)
电缆参数
电缆类型黑色,PUR高弯曲电缆,拖动链兼容,镀锡编织屏蔽。RoHS批准。导线数量8外径5.0±0.15mm导线AWG红黑、白蓝、棕灰、橙紫4×2×0.08mm²电缆弯曲半径固定安装:35mm,自由移动:69mm,连续弯曲:83mm质量31g/m扭转不允许连续扭转
