The LPZS incremental magnetic scale encoder is a displacement sensor that measures using the magnetic interaction between the magnetic scale and magnetic resistance. It is also a new type of digital sensor. Its integrated conversion module and digital signal output enable non-contact measurement. Combined with magnetic scales, it forms an open, sturdy and durable magnetic measurement system. It is widely used in various scenarios such as milling machines, grinding machines, stone cutting machines, wood cutting machines, etc.
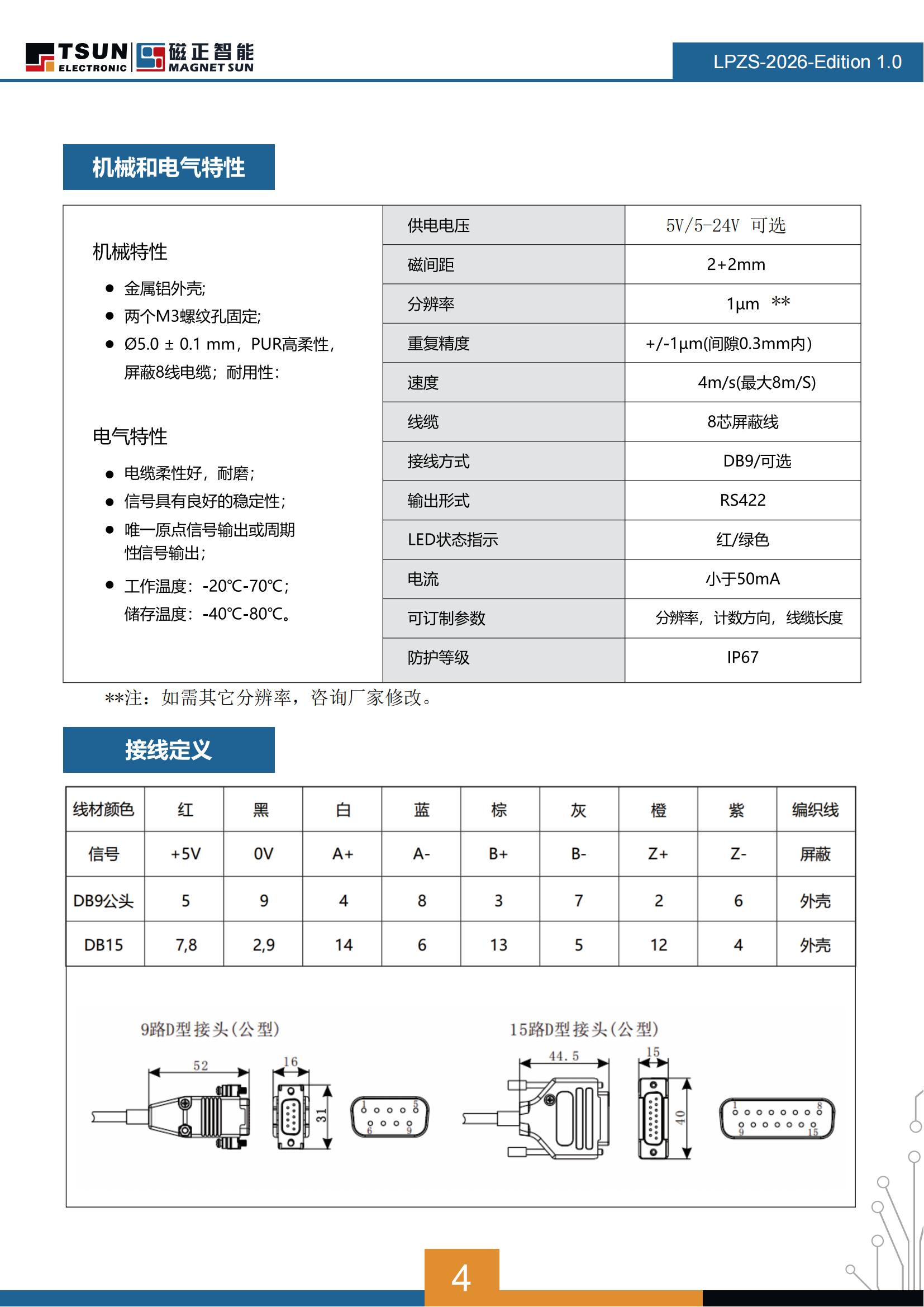
Mechanical and electrical characteristics
Power supply voltage: 5V / 5-24V selectable. Mechanical characteristics: Magnetic spacing 2+2mm.
● Metal aluminum casing;
● Two M3 threaded holes for fixation;
Resolution: 1μm**
● Ø5.0±0.1 mm, high flexibility of PUR,
Repeatability accuracy: +/-1μm (within gap 0.3mm) Shielded 8-wire cable; Durability: Speed 4m/s (maximum 8m/s) 8-core shielded wire electrical characteristics
● Good cable flexibility, wear-resistant;
Connection method: DB9 / optional
● Signals have good stability;
Output form: RS422
● Only origin signal output or cycle
LED status indication: red/green signal output;
● Working temperature: -20℃ - 70℃;
Current less than 50mA
Storage temperature: -40℃ - 80℃. Customizable parameters: resolution, counting direction, protection level: IP67
